25.06.2018, 12:07 AM
(Dieser Beitrag wurde zuletzt bearbeitet: 25.06.2018, 12:12 AM von r0cknrolla.)
Moin,
keine Ahnung wo man das posten soll. Hat aber in gewisser Weise etwas mit Netzteil zu tun weil das Teil am Netz hängt
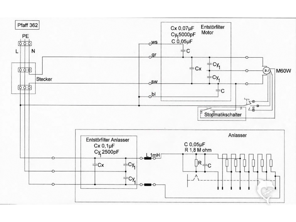
Es handelt sich um ein Fusspedal von einer Pfaff 360 Nähmaschine. Der Fehler liegt darin, dass die Nähmaschine , sobald sie am Netz hängt, anläuft und nicht aufhört.
Ich bin mir nicht sicher wie das ganze System inklusive Nähmaschine arbeitet, daher ist meine Laienhafte vermutung, dass das Fusspedal defekt ist und den Strom stets durchschleift aka nen Kurzer?
Das Innenleben ist hier abgebildet:
http://www.yaya-online.com/shpSR.php?A=568
Weitere bilder kann man über google bilder mit Pfaff 360 fusspedal finden. (oder fussanlasser... die Dinger sind auch modellübergreifend universell)
Wäre dankbar für jegliche Hilfestellung bzw, wo ich anfangen müsste zu messen.
Schon ein sehr komischer Aufbau. Ich denke so eine Art von Elektronik fällt unter den Bereich Mechatronik?
Das erste was ich gemacht habe ist, Multimeter an den Ausgang geklemmt und 0.95 Megaohm gemessen. Wenn ich das Pedal drücke wird der Widerstand weniger und ich bekomme bei Bleifussposition 4 Ohm oder sowas.
Also dieser Tretpoti oder was das sein soll, funktioniert wohl
keine Ahnung wo man das posten soll. Hat aber in gewisser Weise etwas mit Netzteil zu tun weil das Teil am Netz hängt
Es handelt sich um ein Fusspedal von einer Pfaff 360 Nähmaschine. Der Fehler liegt darin, dass die Nähmaschine , sobald sie am Netz hängt, anläuft und nicht aufhört.
Ich bin mir nicht sicher wie das ganze System inklusive Nähmaschine arbeitet, daher ist meine Laienhafte vermutung, dass das Fusspedal defekt ist und den Strom stets durchschleift aka nen Kurzer?
Das Innenleben ist hier abgebildet:
http://www.yaya-online.com/shpSR.php?A=568
Weitere bilder kann man über google bilder mit Pfaff 360 fusspedal finden. (oder fussanlasser... die Dinger sind auch modellübergreifend universell)
Wäre dankbar für jegliche Hilfestellung bzw, wo ich anfangen müsste zu messen.
Schon ein sehr komischer Aufbau. Ich denke so eine Art von Elektronik fällt unter den Bereich Mechatronik?
Das erste was ich gemacht habe ist, Multimeter an den Ausgang geklemmt und 0.95 Megaohm gemessen. Wenn ich das Pedal drücke wird der Widerstand weniger und ich bekomme bei Bleifussposition 4 Ohm oder sowas.
Also dieser Tretpoti oder was das sein soll, funktioniert wohl
Im Übrigen bin ich der Meinung: Karthago muss zerstört werden.


