• .
  • Willkommen im Forum!
  • Alles beim Alten...
  • Du hast kaum etwas verpasst ;-)
  • Jetzt noch sicherer mit HTTPS
Hallo, Gast! Anmelden Registrieren


Stromrichter oder so
#1
Wink 
die Eingangsspannung wird per Trafo erhöht, durch ein ganzes Rudel L+C transportiert und abschließend mit einem fetten Transduktor genau auf Wert gebracht.
Zum besseren Verständnis Freunde der Röhrenverstärkertechnik: das ist ein 1kW 1xEL34SE Monoblock mit 2x ECC81 davor.
Also eine regelrechte Stromwaschmaschine Smile 
Die merkwürdige Birne nennt sich technischer Kaltleiter, sie bildet eine DC Konstantstromquelle, kombiniert mit der Temperaturkompensation für das Gerät. Also nicht einfach ersetzbar, ein korrektes Diagramm von dem Teilchen müßte schon in 3D dargestellt werden.

   

   

   

   

   

nach getaner Arbeit, einer frischen EL34 + frischer Beleuchtung.

   

lG Martin
 
Reply
#2
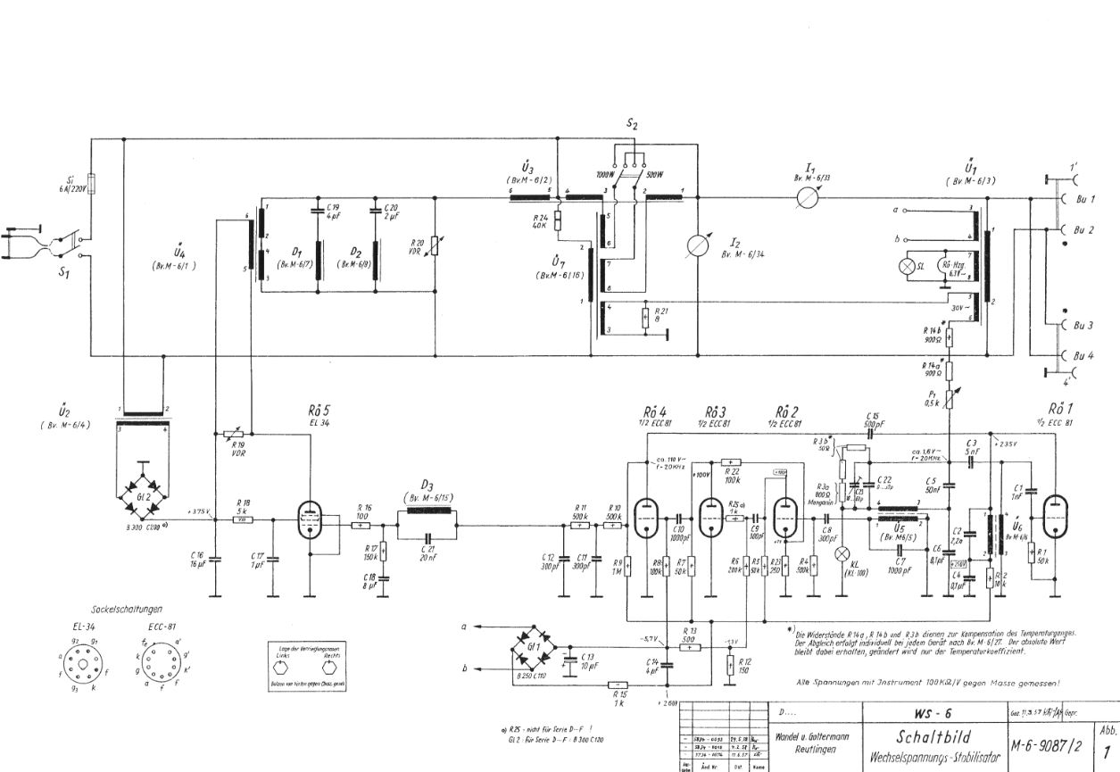
Gibt es einen Schaltplan für das Monstrum?
 
Reply
#3
Wieso 1kWMonoblock mit einer EL34SE? die macht nach meiner Erinnerung so um die 11W in Eintakt-A-Betrieb.
...mit der Lizenz zum Löten!
 
Reply
#4
   
 
Reply
#5
Also steuert hier die EL34 den Transduktor - jau, das ist schon ziemlich ausgefallene Technik.
...mit der Lizenz zum Löten!
 
Reply
#6
diesen Philips hab ich auch wieder muntergemacht, der schafft sogar 10A Dauerlast (15A/30min)
Er macht das genauso und ebenfalls mit einer EL34 Smile 
Die gesteuerte Leistung ist also verglichen mit der max. Belastbarkeit der Endröhre eine echte Ansage..
Philips nutzt eine spezielle Diode mit Wolframfaden, deren Strom in Durchlassrichtung ist direkt abhängig von der Heizspannung. ( 56001 ) Dieses Verfahren ist für Transduktorgeräte das am häufigsten anzutreffende.
Röhrensatz hier: AZ41, EZ34, 56001, EF80, EL34. Das Gerät wiegt 80kg, es wurde in Wavre, Belgien gebaut.

lG Martin

   

das helle Leuchten der 56001 ist so in Ordnung.
   
 
Reply