06.11.2016, 07:34 PM
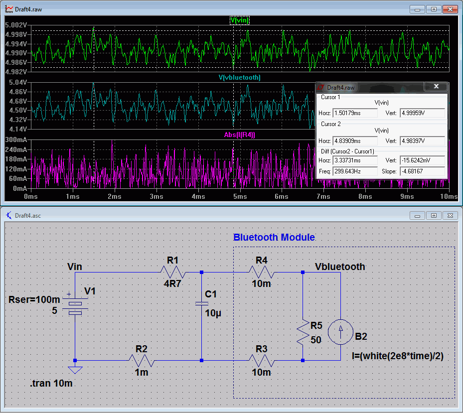
Das das Rauschen von dem CSR erzeugt wird ist wirklich blöd.
Ich hatte nämlich vor über den CSR die Lautstärke zu regeln, da es bequemer ist.
Ein paar Lösungen hätte ich da, die Frage ist nur ob sie gut sind oder schlecht?
1. Externe Lautstärkeregelung mit zB. PGA2311. Wenn es möglich ist das Signal , welches die Lautstärke erhöht und senkt, auszugeben über die PIOs, dann würde man das rauschen des CSR Prozentual weniger hören als das Nutzsignal, da das rauschen durch den PGA wie auch das Nutzsignal abgeschwächt wird.
2. Durch EQ die Frequenz auf der das Rauschen ist erhöhen und dann passiv Filtern, sodass der Frequenzgang trotzdem gerade bleibt.
Naja, meine Meinung zu den Ideen sind:
1. ist relativ teuer und deutlich größer(würde ich ungern machen)
2. deutlich günstiger, jedoch ist die Frage ob es nur eine Störfrequenz ist oder ob es eher ein weitläufiger Bereich ist und ob man es so hinbekommt, dass man nicht den Unterschied hört.
Vielleicht hat jemand schon Erfahrung mit solchen Methoden gesammelt oder eine weitere Idee/Gegenargument ?
Ich hatte nämlich vor über den CSR die Lautstärke zu regeln, da es bequemer ist.
Ein paar Lösungen hätte ich da, die Frage ist nur ob sie gut sind oder schlecht?
1. Externe Lautstärkeregelung mit zB. PGA2311. Wenn es möglich ist das Signal , welches die Lautstärke erhöht und senkt, auszugeben über die PIOs, dann würde man das rauschen des CSR Prozentual weniger hören als das Nutzsignal, da das rauschen durch den PGA wie auch das Nutzsignal abgeschwächt wird.
2. Durch EQ die Frequenz auf der das Rauschen ist erhöhen und dann passiv Filtern, sodass der Frequenzgang trotzdem gerade bleibt.
Naja, meine Meinung zu den Ideen sind:
1. ist relativ teuer und deutlich größer(würde ich ungern machen)
2. deutlich günstiger, jedoch ist die Frage ob es nur eine Störfrequenz ist oder ob es eher ein weitläufiger Bereich ist und ob man es so hinbekommt, dass man nicht den Unterschied hört.
Vielleicht hat jemand schon Erfahrung mit solchen Methoden gesammelt oder eine weitere Idee/Gegenargument ?
![[Bild: HTB1PY6lJVXXXXXeXFXXq6xXFXXXW.jpg?size=3...6732c51fd2]](https://ae01.alicdn.com/kf/HTB1PY6lJVXXXXXeXFXXq6xXFXXXW/220578590/HTB1PY6lJVXXXXXeXFXXq6xXFXXXW.jpg?size=31406&height=331&width=608&hash=a42d79cf3d5dc9c85ca61e6732c51fd2)

