• .
  • Willkommen im Forum!
  • Alles beim Alten...
  • Du hast kaum etwas verpasst ;-)
  • Jetzt noch sicherer mit HTTPS
Hallo, Gast! Anmelden Registrieren


Projekt Kofferheule in Farbe und Bunt
...und bläst die anderen Koffer glatt weg... hoffe ich doch.  Big Grin

Btw
Ich würde es mit EQ mal ohne die 10g Masse versuchen, weil dadurch natürlich im höheren Frequenz Bereich Wirkungsgrad verschenkt wird.
Könnte von der gesamten Energie her gesehen günstiger sein. Wenn der EQ den Bass in etwa genauso gut hin bekommt.
    Don't worry about getting older.  You're still gonna do dumb stuff...only slower.
 
Reply
Ein Störgeräusch, digitale Bursts vom CSR-BT-Modul konnte ich eliminieren, mit 1000uF LowESR direkt am Modul. (Ob davor noch 10R oder eine Drossel mit 4u7/10uH ist, spielt keine Rolle.

Damit bleibt nur noch ein Störgeräusch, ein leises säuseln/pfeifen, hörbar auf vllt. 50cm vor den Breitbändern einer Seite. Wenn man weiss, dass es da ist, will man es auch abschaffen.

Interessanterweise kommt es nur aus einem Kanal, somit einem TPA3118 Board, auf der anderen Seite ist Ruhe.

Ursache ist der Boost-Converter direkt nach den Batterien. Ohne diesen ist es weg. Der Weg geht iwie über das DSP Board, obwohl dieses isoliert versorgt wird.

Das dieses "weinende"/säuselnde Geräusch "Beat-Noise" ist , möchte ich ausschliessen, den ohne Verbindung zum DSP ist Ruhe. "Beat-Noise" bezeichnet hierbei Störungen durch nicht synchronisierte Taktquellen von Schaltverstärkern.

Ein Test mit einem anderen Boost-Converter lieferte noch mehr Störungen.

Versorgung Verstärker:
Batteriepack -> Boost-Converter 24V (TL494)-> TPA3118-Modul

Versorgung DSP:
Batteriepack -> Boost-Converter 24V -> Buck-Converter 5V (MP2315) -> Isolierter DCDC-Converter 5V/5V (Traco TES 1) -> DSP-Board LDO 3.3V (AMS1117)

Versorgung BT-Modul:
aus DSP LDO 3.3V -> 1000uF LowESR am Modul

Vielleicht sollte ich den Buck mal direkt an das Pack hängen und somit für den DSP dieses umgehen..  Weih

Diverse Kondensatoren (Werte/Typen) am DSP-Board und dem hier genutzten AMS1117 brachten keine Verbesserung. Eventuell sollte man hier etwas mit mehr PSRR einsetzen?



   

   
 
Reply
Muss wohl doch mal ein Scope angeschlossen werden.
 
Reply
Könnten Einkopplungen über die Leitungen sein, oder direkt über die räumliche Nähe, wenn es nur auf einer Seite auftritt. Dann kannst du auch mit Kondensatoren nichts reißen, weil die Störung wo anders rein"fliegt".

Du könntest es mal mit einem Schirm über dem DC/DC versuchen, vielleicht aus Dosenblech...oder evtl. anders gebündelten Leitungen.
 
Reply
Der Verstärker bei dem es auftritt ist auf den Bildern rechts oben, ist somit nicht in direkter Nähe zum DCDC-Wandler. Ich habe den Wandler bereits lose an an alles direkt angehalten um zu sehen ob sich die Amplitude ändert, nichts.

Hier mal der Plan:

   

Eventuell würde es noch was bringen, die Signale "pseudo-differentiell" zu den TPA3118 zu verlegen. Derzeit ist der INN- ja per Kondensator direkt auf dem Amp-Board mit GND verbunden. Genau so soll es ja eigentlich nicht sein, sondern immer an der Quelle erfolgen. Hätte den Vorteil, dass zumindest Störungen die über den Eingang koppeln kompensiert werden.

Es ergeben sich zumindest GND-Schleifen über Power GND und dem Sternpunkt AGND zwischen den Verstärkern.

Allerdings, die Zuleitungen zu den Amps sind geschirmt ausgeführt und nur auf Quellseite mit "IsoGND" verbunden. Werde nochmal testen, ob es was bringt, nur den Schirm mit "echtem GND" zu verbinden. Bei Batteriespeisung ja eher fraglich.
 
Reply
Ich würde auch eine Masseschleife vermuten siehe Bild:
   

Ausschnitt von TI:
To use the TPA31xxD2 family with a single-ended source, ac ground the negative input through a capacitor equal in value to the input capacitor
on positive and apply the audio source to either input. In a single-ended input application, the unused input
should be ac grounded at the audio source instead of at the device input for best noise performance. For good
transient performance, the impedance seen at each of the two differential inputs should be the same.

Wenn ich das richtig verstehe soll die Masse des Audiokabels direkt an den RINN angeschlossen werden und dann mit einem Cap am Ausgang des Abspielgerätes getrennt werden. Mh wird in der Praxis doch schwer sein den Kunden ein extra Kabel zu verkaufen. misstrau

   
Die haben es halt direkt auf den Geräteeingang gelegt. Nach Ti nicht optimal, aber schlimmer geht sicherlich. Big Grin

Ich denke/vermute, dass das Brummen durch die Masseschleife erzeugt wird. Lass doch die Audiosignalmasse zum testen mal weg und schließ den Audio Eingang an den Cap an. (Die Zusammenführung der Masse sollte nach meinem Wissen immer an den Eingangscaps der Versorgung geschehen. 
Du hast dann zwar den Spannungsabfall durch den Strom vom Chip, aber in meinen aufbauten hat dies immer eine deutliche Verbesserung gebracht.
Btw. wo ist eig. der Audio Eingang?

   

Was immer sehr gut hilft, ein PCB kaufen/entwerfen mit passenden Kanälen, da dort die Masseflächen passend zusammengeführt sind und durch die Signalmasse keine Schleife erzeugt wird.(Bei vernünftigem Layout)
 
Reply
Das mit dem Versetzen der Kondensatoren für die Signalmasse hatte ich ja bereits angedeutet, kann was helfen. Gemeinsame Masse am Einspeisepunkt teste ich zuerst..

Zitat:Du hast dann zwar den Spannungsabfall durch den Strom vom Chip

Das verstehe ich nicht.

Zitat:Was immer sehr gut hilft, ein PCB kaufen/entwerfen mit passenden Kanälen, da dort die Masseflächen passend zusammengeführt sind und durch die Signalmasse keine Schleife erzeugt wird.(Bei vernünftigem Layout)

Ach was!  Weih  lachend

Die Erkenntnis muss auch irgendwo herkommen und Masseflächen sind kein Allheilmittel.

3 Kanal PCBs habe ich auch da, wollte die nun allerdings nicht ihrer Klangregelung berauben. Mit den separaten PCBs baut es sich hier besser.
 
Reply
(12.07.2019, 12:05 PM)christianw. schrieb: Muss wohl doch mal ein Scope angeschlossen werden.
Nö, Du suchst hörbare Störspannungen im mV-Bereich. Das scope wird Dir all den Hf-Schmutz zeigen der hier garnicht weiter hilft.
Nimm einen halbwegs empfindlichen Audioverstärker (Gitarrenverstärker sind da prima geeignet) und höre mit dessen Eingang direkt die Betriebsspannungen ab.
Hinreichend spannungsfester EingangskoppelKondensator ist hier natürlich Pflicht.
Oder miss mit der soundkarte.
...mit der Lizenz zum Löten!
 
Reply
(12.07.2019, 10:37 PM)christianw. schrieb: Das mit dem Versetzen der Kondensatoren für die Signalmasse hatte ich ja bereits angedeutet, kann was helfen. Gemeinsame Masse am Einspeisepunkt teste ich zuerst..

Zitat:Du hast dann zwar den Spannungsabfall durch den Strom vom Chip

Das verstehe ich nicht.
Nun ja bei einer Massezuleitung (Nur Stromversorgung, Siehe Bild im vorherigen Beitrag) wird durch den Strom den der Verstärker nimmt und den Widerstand der Leitung eine Spannung abfallen. Somit Spannung Masse am Cap und Spannung Masse am Board leicht unterschiedlich je nach Strom. Zum testen ist das Ok.
An der Masse am Cap ist aber die Masse für alles angeschlossen. Audio und Power. So gesagt der Bezugspunkt für alle Massen. 

Somit gibt es keine Schleifen, aber es könnte trotzdem ein sehr leises Störgeräusch da sein. (Nach meinen bisherigen Erfahrungen deutlich kleiner als bei einer Masseschleife)
 
Reply
Hab alles getestet, so wie es jetzt ist, ist es mit den wenigsten Störungen.

Da der DAC differentiell ist, treibt er auch seine "Masse", welche ja hierbei isoliert ist. Daher mein Verdacht, dass es daher noch nicht besser wird, man aber über die Powermasse noch den ganzen anderen Rest mitnimmt. Der HF-Strom der Amps nimmt ja den Weg des kleinsten Feldes, sprich auf ein PCB gesehen parallel zur Versorgungsbahn.

Äh, oder so.. Smile

Was noch bleibt ist der Umbau der Koppelkondensatoren.
 
Reply
Anbei die Messungen für Indoor/Outdoor Mode. Ersterer ist linearer, der andere auf max. SPL getrimmt. Gezeigt ist zudem die Pegelgrenzen für Bass/Treble Regler - alles über den DSP einzustellen.

Indoor:
   

Outdoor:
   

Die Frage nach dem Wirkungsgradverlust durch die 10g Zusatzmasse zeigt dieser Plot:
   

Abschliessend der SPL Vergleich zwischen Indoor/Outdoor Mode (Orange ist der Response der Box ohne EQ, Rot ist der Power bzw. Outdoor Mode leichtem Boost unten herum):
   

Man wählt also zwischen roter (Power/Outdoor) und türkiser (Indoor) Charakteristik.
 
Reply
Ruhestrom unmodifiziert bei 24V Versorgung aus Boost-Wandler und 16V Eingangsspannung aus 4x LiIon, gemessen vor dem DCDC-Wandler:

An: 300mA
Aus: 100mA

Aus ist, wenn kein Eingangssignal anliegt, die 3 Amps werden dann per /SHDN abgeschaltet. 100mA entfallen also auf das Frontend. Nun erstmal alle unnötigen LEDs auslöten, das spart gleich mal 20mA insgesamt. Somit nun:

An: 280mA
Aus: 80mA

Die TPA3118 laufen mit BD-Modulation, 1SPW bringt hier Vorteile durch Verringerung des Tastverhältnisses zu Lasten der THD-N. Erstmal einen umgebaut, Ersparnis 26mA - Top1A. Leider muss dazu ein Pin "geliftet" werden sowie dort nun ein weiterer Draht dran. Weih

Was man an Materialkosten spart, geht an Arbeitszeit rein... lachend

Nach Umbau aller drei Verstärker nun:

An: 203mA
Aus: 80mA

Adaptive Betriebsspannung wäre also wünschenswert.

Nebeneffekt des Umbaus: leicht angestiegenes Grundrauschen, dafür ist aber das ominöse Störgeräusch verschwunden. Gurke Heart

Musik hören in gehobener Zimmerlautstärke braucht im Schnitt nur weitere 10mA, somit ergibt sich durch die Modifkation eine Laufzeitverlängerung von ca. 30% bei moderater Lautstärke. bei 2.7Ah also ein Gewinn von 9h auf 13.5h. Eine weitere Verbesserung brächte auch die Verringerung der Schaltfrequenz von 500kHz auf 400kHz, aber das lasse ich erstmal, Pinlifting sollte nicht zur Gewohnheit werden.

Btw. "Der Chinese" hat eine interessante Neuinterpretation des TPA3118 verfügbar, mit AGC, Limiter und Thermal-Foldback durch Gain-Reduktion:

HT318
 
Reply
So klingen die Störungen maximal hörbar gemacht.





Das wäre mit offenen Eingängen der TPA und gemeinsamer Signalmasse vom DSP. Normal hört man das so nicht..
 
Reply
Klingt für mich wie ein instabiler Regler unter unterschiedlichen Lasten.
Bei so kleinen Leistungen in Relation zur Maximalleistung (Was macht das Modul nochmal? 10A oder so, oder?) könnt ich mir auch vorstellen dass das Modul irgendwelche Pulse-Skipping-ähnlichen Schweinereien macht, die beim TL494 eigentlich nicht vorgesehen waren...

Kannst du evtl. mal testen indem du aus dem Modul neben dem Koffer vorbei so 50% seiner Nennleistung ziehst, oder vielleicht doch mal mitm Oszi draufguckst.
 
Reply
Der große Wandler ist es erstmal nicht. Bei ca. 24W gibt es einen Rauschpeak, davor und danach ist Ruhe. Das weinende Geräusch kommt also von einem der anderen beiden Regler. Eventuell ist 4u7 für den kleinen Buckwandler bei der geringen Last zu wenig. Ich messe mal. (endlich)
 
Reply
Alle weiteren DCDC-Wandler sind ebenfalls unauffällig bezüglich des Störgeräuschs, aber ich habe eine heisse Spur. Allerdings muss ich nun erstmal den DSP reflowen.  lachend  Cry  Gurke

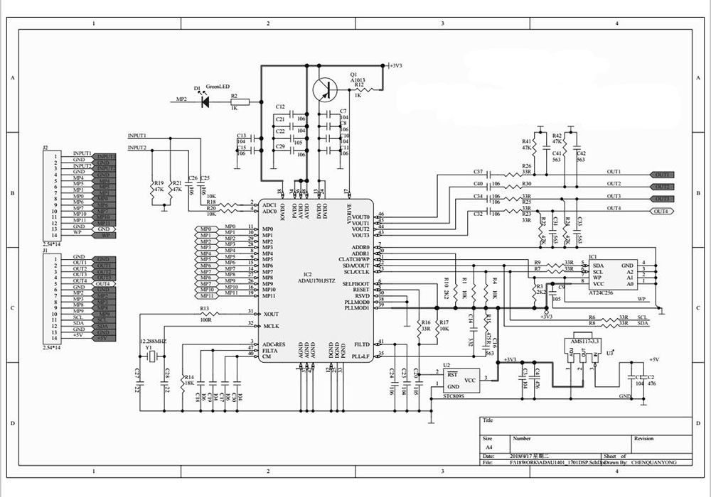
Anbei der Schaltplan von dem DSP-Board. Das passive Ausgangsfilter der DAC erscheint mir etwas eigenartig bezüglich der Dimensionierung des RC-Gliedes.. Mit 33R+5n6 ergeben sich rund 86kHz Eckfrequenz. AD gibt 560R+5n6 vor, das macht rund 50khz. Naja, sei es drum.

   
 
Reply
(15.07.2019, 06:08 PM)christianw. schrieb: Btw. "Der Chinese" hat eine interessante Neuinterpretation des TPA3118 verfügbar, mit AGC, Limiter und Thermal-Foldback durch Gain-Reduktion:

HT318
Ist ja der Hammer!
...mit der Lizenz zum Löten!
 
Reply
Es ist tatsächlich "Beat Noise" aufgrund des nicht synchronisierten Taktes der Verstärker. Wahnsinn! Big Grin

Der Takt der einzelnen Module am SYNC-Ausgang liegt im Bereich 99.8 - 101.5kHz, das Mischprodukt ist das Weinen..
 
Reply
(16.07.2019, 04:24 PM)voltwide schrieb:
(15.07.2019, 06:08 PM)christianw. schrieb: Btw. "Der Chinese" hat eine interessante Neuinterpretation des TPA3118 verfügbar, mit AGC, Limiter und Thermal-Foldback durch Gain-Reduktion:

HT318
Ist ja der Hammer!

Existiert als HT317 auch in gängigerem TSSOP-28 Gehäuse:
http://www.szczkjgs.com/UploadFiles/fuji.../HT317.pdf

Auch interessant der CS8673E:
http://www.szczkjgs.com/UploadFiles/fuji...CS8673.pdf

2x40W mit nur 16 Pins.

Alternativ der AT8031 mit 2x10W + 20W in einem TSSOP-24 Gehäuse als 2.1:
http://www.szczkjgs.com/UploadFiles/fuji...AT8031.pdf
z.B. bei Aliexpress: AT8031

Btw. der HT318 kostet bei TaoBao keine 0.40€:
http://42.51.0.13/api/taobaoProduct.aspx...t=3#detail
lachend
 
Reply
Operation erfolgreich, 1x Master, 2x Slave - alle takten nun synchron, Ruhe ist. Big Grin
 
Reply